京改版(2024)物理九年级全一册第十四章 欧姆定律单元小结同步测验
一、选择题
如图所示,电源电压为4.5V,电压表量程为“0~3V”, 电流表量程为“0~0.6A”,滑动变阻器规格为“10Ω  1A”,小灯泡L标有“2.5V    1.25W”(灯丝电阻不变)。在保证小灯泡L电流不超出额定电流的情况下,移动滑动变阻器的滑片,下列说法正确的是(   )

A.
小灯泡的额定电流是0.6A
B.
滑动变阻器连入电路的阻值变化范围是4Ω~10Ω
C.
电压表示数变化范围是0~3V
D.
电流表示数变化范围是0.3~0.5A
我要多选
作答:
答对了
答错了
下列关于电阻的说法中正确的是(  )
A.
由欧姆定律I= ,可以得到R= ,所以导体的电阻与其两端的电压及通过的电流有关
B.
两根粗细一样的导体,长的一定比短的电阻大
C.
用伏安法测小灯泡的电阻,可以利用多次测量求平均值的方法减小实验误差
D.
电阻的大小由导体本身的材料、长度和横截面积决定
我要多选
作答:
答对了
答错了
有一定值电阻R=100 Ω,与另一个定值电阻并联后,要使电路的总电阻小于20Ω,现在可供选择的定值电阻有①100Ω、②50Ω、③10Ω、④5Ω各一个,那么所选的另一个电阻的阻值大小可以是(  )
A.
①或④
B.
②或④
C.
③或④
D.
②或③
我要多选
作答:
答对了
答错了
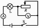
归纳总结是小明学习物理的常用方法。小明发现如图电路图可完成三个电学实验:①探究电流与电压的关系②探究电流与电阻的关系③“伏安法”测电阻。小明进行了以下总结,其中正确的是(  )

A.
三个实验的实验器材并不完全相同
B.
三个实验都能将定值电阻换成小灯泡
C.
三个实验中滑动变阻器作用完全相同
D.
三个实验都要多次测量取平均值来减小实验误差
我要多选
作答:
答对了
答错了
电路中有一根电阻丝,若要使电路中的电阻变大,可以采取的方法是(    )
A.
增大电路两端的电压
B.
减小通过电路中的电流
C.
串联一根相同的电阻丝
D.
并联一根相同的电阻丝
我要多选
作答:
答对了
答错了
有两个阻值不同的电阻R1和R2 , 它们串联时的总电阻是并联时的总电阻的n倍,那么n的取值范围是(   )
A.
n>4
B.
4≥n>3
C.
3≥n>2
D.
2≥n>1
我要多选
作答:
答对了
答错了
在探究串联电路电压特点时,某同学连接的电路如图所示。对于实验过程中出现的现象及分析,下列判断正确的是(    )

A.
开关闭合后,若灯泡L2不亮、L1亮,一定是L2灯丝断了
B.
如果只有灯泡L1断路,则开关闭合后电压表示数一定为零
C.
开关闭合后,如果电压表示数为零,灯泡L2一定不发光
D.
如果所有元件均完好,闭合开关,向右移动滑动变阻器的滑片时,两灯都变亮
我要多选
作答:
答对了
答错了
关于电流、电压和电阻的关系,下列说法正确的是(   )
A.
导体电阻跟导体两端的电压成正比,跟导体中的电流成反比
B.
有电流通过这段导体,这段导体两端一定有电压
C.
通过导体的电流越大,这段导体的电阻一定越小
D.
两个电阻中的电流相等,则两电阻一定是串联
我要多选
作答:
答对了
答错了
用同种材料制成两段长度相等,横截面积不同的圆柱形导体,A比B的横截面积大,如图,将它们串联在电路中,通过的电流关系以及两端的电压关系是(    )

A.
IA>IB   UA>UB
B.
IA<IB   UA<UB
C.
IA=IB   UA<UB
D.
无法确定
我要多选
作答:
答对了
答错了
两个导体并联后的总电阻小于其中任何一个导体的电阻,因为并联相当于(   )
A.
减小了导体长度
B.
减小了导体横截面积
C.
增大了导体长度
D.
增大了导体横截面积
我要多选
作答:
答对了
答错了
根据欧姆定律,下列说法正确的是(    )
A.
通过导体的电流越大,这段导体的电阻就越小
B.
通过导体的电流跟这段导体两端的电压成正比,跟这段导体的电阻成反比
C.
导体两端的电压越大,这段导体的电阻就越大
D.
导体两端的电压为零时,电阻值也为零
我要多选
作答:
答对了
答错了
如图所示,电压表量程是0﹣3V,电流表量程是0﹣0.6A,变阻器的最大值是50Ω,R0电阻为6Ω,电源电压为6V,为了保证两表使用安全,求变阻器的电阻取值范围(   )

A.
R≤4Ω
B.
R≥6Ω
C.
4Ω≤R≤6Ω
D.
无法确定
我要多选
作答:
答对了
答错了
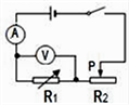
如图所示,A、B间电压一定,当滑片P向左移动到另一位置时,通过R1、R2的电流变化量的大小分别为ΔI1、ΔI2 , 电压变化量的大小分别为ΔU1、ΔU2 , 则(   )

A.
ΔI1>ΔI2 , ΔU1>ΔU2
B.
ΔI1<ΔI2 , ΔU1<ΔU2
C.
ΔI1<ΔI2 , ΔU1=ΔU2
D.
ΔI1=ΔI2 , ΔU1=ΔU2
我要多选
作答:
答对了
答错了

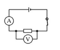
用“伏安法测电阻”的实验电路如图所示.如果考虑到安培表[即安培计]本身有一定的电阻(具有分压作用),伏特表[即伏特计]本身也有一定的电阻(具有分流作用),则下列判断中正确的是(  )


 

A.
测量值等于电阻的实际值  
B.
测量值小于电阻的实际值
C.
测量值大于电阻的实际值
D.
以上三种情况都有可能
我要多选
作答:
答对了
答错了
在“探究串联电路的电压规律”时,采用如图所示的电路。闭合开关S,用电压表分别测出AB,BC,AC两端的电压,在表格中记录第一组数据后,为得到更普遍的规律,接着的实验步骤是(    )

A.
将两灯并联进行实验
B.
去掉一个灯泡,仅保留一个灯泡进行实验
C.
更换两端电压不同的电源,换用不同规格的小灯泡,再测出几组电压值
D.
换用电压表的另一量程,再测出一组电压值
我要多选
作答:
答对了
答错了
从欧姆定律可以导出公式R= ,下列说法正确的是(    )
A.
当电压增大2倍时,电阻R增大2倍
B.
当电流强度增大2倍时,电阻R减小为二分之一
C.
当电压为零时,电阻R值不为零
D.
当电压为零时,电阻R也为零
我要多选
作答:
答对了
答错了
将电阻 与100欧的电阻并联后,它们的总电阻小于10欧。下列判断中正确的是(  )
A.
一定小于10欧
B.
可能大于10欧
C.
一定大于10欧
D.
不可能为10欧
我要多选
作答:
答对了
答错了
二、 实验题
在实际电路中电流表、电压表的内阻不能忽略。某同学用伏安法测量一个未知电阻Rx , 他先将电压表、电流表按图a所示的方法连接在电源电压恒定的电路中,测得电压表、电流表的示数分别为3.0V、3.0mA.接着在同一电路中,他又将同一电压表、电流表按图b所示的方法连接,测得电压表、电流表的示数分别为2.9V、4.0mA。

1、
求出电流表的内阻RA_________;
2、
求出待测电阻Rx的真实值_________;
3、
如果忽略不计电流表的内阻,且电压表的内阻不是无限大。请分析说明题中利用哪种接法测量电阻Rx更准确_________?
我要多选
作答:
答对了
答错了
在探究“电流跟电阻的关系”的实验中,根据收集的数据得到结论“导体两端电压一定时,通过导体的电流与导体的电阻成反比”.最能反应该结论的图象是(  )
A.
B.
C.
D.
我要多选
作答:
答对了
答错了
肖征和海涛探究“并联电路电压的关系”,肖征先按图甲所示电路图连成图乙的实物图。(电压表尚未连接)

1、
海涛闭合图乙中的开关S后,发现小灯泡L1、L2不亮,查其原因,原来是因为此时小灯泡L1、L2处于_________(选填“通路”“断路”或“短路”)状态。
2、
海涛只更改跟L1、L2的四个接线柱A、B、C、D相连的某根导线的一端,就使电路连接正确了。他的做法可能是_________(指出一种即可)。
3、
接下来,他们按图丙所示电路图连接了三个电压表。实验过程中,通过调节滑动变阻器使电压表V1的示数如图丁所示,则电压表V1的分度值是_________V,示数是_________V。
4、
在电路中串联滑动变阻器的作用是_________,

闭合开关前,变阻器的滑片P应置于_________端(选填“左”或“右”),该实验得到并联电路的电压关系是:U=_________。

我要多选
作答:
答对了
答错了
“探究串联电路的电压关系”的实验电路如图(1)所示。

1、
为了使探究得出的结论具有普遍意义,Ll、L2 应该选择_________(选填“相同”或“不相同”)的小灯泡。
2、
小明根据连接好电路,闭合开关,电压表示数如图(2)所示,为了使实验结果更准确,接下来他应该_________。
3、
测出Ll两端的电压后,小明断开开关,准备拆下电压表,改接在B、C之间。小聪认为小明的操作太麻烦,只需将与A 点相连的导线改接到C点即可。小聪的办法是_________(填“正确”或“错误”),电压表将出现的现象是_________,纠正方法是_________。
4、
测量完成后,进行小组交流讨论,下表选录了四个小组的数据进行分析而不用一个小组的数据,你认为这样做的理由_________。

我要多选
作答:
答对了
答错了
三、填空题
王锐同学在修理电子玩具时,需要用一个7.5Ω的电阻,但他手边只有阻值为2Ω、10Ω、20Ω、30Ω的电阻各一个,他可以通过________来获得阻值为7.5Ω的电阻,通过________来获得阻值为12Ω的电阻。
我要多选
作答:
答对了
答错了
把标有“6V 3W”的小灯泡与最大阻值为100Ω的滑动变阻器连接在电源电压恒为18V的电路中,各电表选择的量程如图所示,要求闭合开关后两电表的示数均不超过所选量程,​且灯泡两端电压不允许超过额定值(灯丝电阻不变),则该电路的中滑动变阻器电阻变化范围是________Ω。

我要多选
作答:
答对了
答错了
一段导体两端加6伏特电压时,通过它的电流为0.3安培,则这段导体的电阻是________欧姆。当电源断开时,则通过导体电流为________安培,此时导体的电阻是________欧姆。
我要多选
作答:
答对了
答错了

导体中的电流跟导体两端的电压成正比,跟导体的________成反比。这就是著名的欧姆定律,欧姆定律的数学表达式为________。

我要多选
作答:
答对了
答错了
四、计算题

如图是一种自动测定油箱内油面高度的装置,R是滑动变阻器,它的金属滑片是杠杆的一端,且受定位挡板限制只能在电阻上滑动。当油面在A处时,滑动变阻器的滑片恰好在最下端;当油面在B处时,滑动变阻器的滑片在最上端。从油量表(由电流表改装而成,电流表的量程是0﹣0.6A)指针所指的刻度,可以知道油箱内油面的高度。现已知电源电压是6V,定值电阻R′的阻值是12Ω。

1、
定值电阻R′的作用是_________。
2、
已知电流增大时,电流表指针向右偏转,则油面_________(选“上升”或“下降”)
3、
当油面处在A处时,电流表示数为_________A,当油量表指针指在刻度盘的中央时,定值电阻R′两端的电压为_________V,滑动变阻器R两端的电压为_________V,此时滑动变阻器R接入的阻值是_________Ω。
我要多选
作答:
答对了
答错了
小敏看到超载车损坏公路的新闻报道,设计了一个称量车重的模拟电路,将载重量转化成电流表示数,如图甲。电路由电源、称重计(电流表、量程0~0.6A)、定值电阻R0 , 滑动变阻器R1、弹簧和开关组成。已知电源电压8伏,滑动变阻器R1长40厘米、最大阻值20欧,且电阻的大小与其接入的长度成正比,弹簧的长度与受到压力之间的关系如图乙,当没有载物时,变阻器滑片指在上端,电流表示数是0.1A。

1、
定值电阻R0多大?
2、
最大载重时,该模拟电路的电流表示数多大?
3、
小华觉得最大称量时,该模拟电路的电流表示数应该过满量程的一半,则应选择定值电阻:R2=20欧、R3=5欧和R4=1欧中哪个替换R0 , 替换后,最大称量时,电流表示数多大?
我要多选
作答:
答对了
答错了
声明:本文档由用户提供并上传,仅供用户内部交流学习使用,若内容存在侵权,请点击举报删除。
贡献者: 刘京
通过疯狂刷题APP扫码登录
免费查看答案
使用
疯狂刷题APP
打开[我的-扫一扫]
疯狂刷题
www.yex.ink
疯狂刷题让你轻松应对各种考试
注: 请使用疯狂刷题APP扫码登录 (其他工具扫码无效)
口碑级应用
疯狂刷题APP
在各大应用市场均可下载
title
content
不再提示
确定
关闭
题干详情
×