数控编程与加工《数控加工技术》专项练习
单选题
第1题
CAPP的中文含义是
A.
计算机辅助设计
B.
计算机辅助制造
C.
计算机辅助工艺设计
D.
计算机集成制造系统
请输入本题答案:
我要多选
作答:
答案:
查看解析
暂无答案
答对了
答错了
第2题
下列机床属予点位控制数控机床的是
A.
数控车床
B.
数控铣床
C.
加工中心
D.
数控钻床
请输入本题答案:
我要多选
作答:
答案:
查看解析
暂无答案
答对了
答错了
第3题
在卧式数控车床上,刀具远离工件旋转中心的方向是
A.
X坐标的正方向
B.
X坐标的负方向
C.
Z坐标的正方向
D.
Z坐标的负方向
请输入本题答案:
我要多选
作答:
答案:
查看解析
暂无答案
答对了
答错了
第4题
粗加工时,一般应保证较高的
A.
刀具寿命
B.
生产率
C.
尺寸精度
D.
表面质量
请输入本题答案:
我要多选
作答:
答案:
查看解析
暂无答案
答对了
答错了
第5题
下列G代码中,表示左刀具半径补偿指令的是
A.
G39
B.
G40
C.
G4l
D.
G42
请输入本题答案:
我要多选
作答:
答案:
查看解析
暂无答案
答对了
答错了
第6题
CNC装置的中断类型有外部中断、内部定时中断、硬件故障中断和
A.
强制中断
B.
插补中断
C.
断电中断
D.
程序性中断
请输入本题答案:
我要多选
作答:
答案:
查看解析
暂无答案
答对了
答错了
第7题
CNC装置的硬件一般由五部分组成:人机接口部分、运动控制部分、I/O控制部分、程序I/O接口和
A.
位置检测部分
B.
数据通信接口
C.
伺服放大器
D.
伺服电动机
请输入本题答案:
我要多选
作答:
答案:
查看解析
暂无答案
答对了
答错了
第8题
CNC系统控制软件的功能主要包括速度控制、插补和位置控制、开关量控铡、译码以及
A.
通信
B.
I/O处理
C.
刀具补偿
D.
诊断和显示
请输入本题答案:
我要多选
作答:
答案:
查看解析
暂无答案
答对了
答错了
第9题
数控的核心任务是
A.
插补运算
B.
转速控制
C.
刀其补偿
D.
数据传输
请输入本题答案:
我要多选
作答:
答案:
查看解析
暂无答案
答对了
答错了
第10题
某加工中心,由脉冲编码器间接测量工作台的位移,其测量精度取决于脉冲编码器的精度和
A.
CNC插补精度
B.
滚珠丝杠的精度
C.
机床传动链的精度
D.
安装精度
请输入本题答案:
我要多选
作答:
答案:
查看解析
暂无答案
答对了
答错了
第11题
绝对式脉冲编码器有接触式、光电式和
A.
电匿式
B.
电流式
C.
电容式
D.
电磁式
请输入本题答案:
我要多选
作答:
答案:
查看解析
暂无答案
答对了
答错了
第12题
数控机床的效率和精度,很大程度上取决于伺服驱动系统的
A.
性能
B.
生产厂家
C.
驱动功率
D.
类型
请输入本题答案:
我要多选
作答:
答案:
查看解析
暂无答案
答对了
答错了
第13题
通常情况下,伺服进给系统的传动计算主要包括三方面的计算:转矩、转动惯量和
A.
功率
B.
转速
C.
刚度
D.
效率
请输入本题答案:
我要多选
作答:
答案:
查看解析
暂无答案
答对了
答错了
第14题
三栩步进电动机,转子齿数z=60,当采用单一双亨鑫轮流通电方式运行时,步距角a为
A.
0.5°
B.
1 °
C.
2°
D.
3°
请输入本题答案:
我要多选
作答:
答案:
查看解析
暂无答案
答对了
答错了
第15题
直流伺服电动机的输出转矩TM与电动机电枢电流Ia的关系时
A.
\( T_{M} \propto I_{0} \)
B.
\( T_{M} \propto 1 / I_{a} \)
C.
\( T_{M} \propto I_{a}^{2} \)
D.
\( T_{M} \propto \sqrt{I_{a}} \)
请输入本题答案:
我要多选
作答:
答案:
查看解析
暂无答案
答对了
答错了
第16题
滚珠丝桎的传动效率是普通游动丝杠的
A.
1~2倍
B.
2~4倍
C.
4~8倍
D.
10倍以上
请输入本题答案:
我要多选
作答:
答案:
查看解析
暂无答案
答对了
答错了
第17题
HSK系列刀柄,刀柄锥度为
A.
3:7
B.
7:24
C.
1:5
D.
1:10
请输入本题答案:
我要多选
作答:
答案:
查看解析
暂无答案
答对了
答错了
第18题
通过对滚动导轨的预紧,可以消除问隙并提高导轨的
A.
强度
B.
钢度
C.
承载能力
D.
运行速度
请输入本题答案:
我要多选
作答:
答案:
查看解析
暂无答案
答对了
答错了
第19题
自动换刀装置的英文缩写是
A.
CNC
B.
ATC
C.
PVC
D.
FMS
请输入本题答案:
我要多选
作答:
答案:
查看解析
暂无答案
答对了
答错了
第20题
SINUMERIK 802C baseline数控系统进给驱动装置的动力源采用的是
A.
交流伺服电动机
B.
直流伺服电动机
C.
步进电动机
D.
液压伺服马达
请输入本题答案:
我要多选
作答:
答案:
查看解析
暂无答案
答对了
答错了
第21题
CAM的中文含义是
A.
计算机辅助设计
B.
计算机辅助制造
C.
计算机辅助工艺设计
D.
计算机集成制造系统
请输入本题答案:
我要多选
作答:
答案:
查看解析
暂无答案
答对了
答错了
第22题
经济型数控机床的驱动装置多采用
A.
交流伺服电动机
B.
直流伺服电动机
C.
液压马达
D.
步进电动机
请输入本题答案:
我要多选
作答:
答案:
查看解析
暂无答案
答对了
答错了
第23题
在卧式数控车床上,刀具远离卡盘的方向是
A.
X坐标的正方向
B.
X坐标的负方向
C.
Z坐标的正方向
D.
Z坐标的负方向
请输入本题答案:
我要多选
作答:
答案:
查看解析
暂无答案
答对了
答错了
第24题
精加工时,首先保证
A.
加工质量
B.
切削效率
C.
刀具寿命
D.
经济性
请输入本题答案:
我要多选
作答:
答案:
查看解析
暂无答案
答对了
答错了
第25题
下列G代码中,表示右刀具半径补偿指令的是
A.
G39
B.
G40
C.
G41
D.
G42
请输入本题答案:
我要多选
作答:
答案:
查看解析
暂无答案
答对了
答错了
第26题
CNC装置的中断类型有外部中断、内部定时中断、程序性中断和
A.
强制中断
B.
插补中断
C.
硬件故障中断
D.
断电中断
请输入本题答案:
我要多选
作答:
答案:
查看解析
暂无答案
答对了
答错了
第27题
CNC装置的硬件一般由五部分组成:人机接口部分、运动控制部分、数据通信接口、程序I/O接口和
A.
位置检测部分
B.
I/O控制部分
C.
伺服放大器
D.
伺服电动机
请输入本题答案:
我要多选
作答:
答案:
查看解析
暂无答案
答对了
答错了
第28题
CNC系统管理软件的功能主要包括数据输入、诊断和显示、I/O处理和
A.
通信
B.
位置控制
C.
译码
D.
插补计算
请输入本题答案:
我要多选
作答:
答案:
查看解析
暂无答案
答对了
答错了
第29题
根据其数据输出形式不同,插补可分为两大类:数据采样插补和
A.
直线插补
B.
曲线插补
C.
脉冲增量插补
D.
多轴插补
请输入本题答案:
我要多选
作答:
答案:
查看解析
暂无答案
答对了
答错了
第30题
某加工中心,由直线光栅尺直接测量工作台的位移,其测量精度取决于测量光栅的精度和
A.
CMC插补精度
B.
工作台移动速度
C.
滚珠丝杠的精度
D.
安装精度
请输入本题答案:
我要多选
作答:
答案:
查看解析
暂无答案
答对了
答错了
第31题
光栅分为透射光栅和
A.
玻璃光栅
B.
塑料光栅
C.
衍射光栅
D.
反射光栅
请输入本题答案:
我要多选
作答:
答案:
查看解析
暂无答案
答对了
答错了
第32题
五轴联动加工中心需要的伺服进给驱动系统为
A.
1个
B.
3个
C.
5个
D.
6个
请输入本题答案:
我要多选
作答:
答案:
查看解析
暂无答案
答对了
答错了
第33题
—般情况下,伺服进给系统的转矩、转动惯量和刚度都是折合(折算)到
A.
电动机轴上
B.
主轴上
C.
工作台上
D.
工件上
请输入本题答案:
我要多选
作答:
答案:
查看解析
暂无答案
答对了
答错了
第34题
三相步进电动机,当采用单-双拍轮流通电方式运行时,步距角α = 0.75°,则转子齿数z为
A.
20
B.
40
C.
80
D.
100
请输入本题答案:
我要多选
作答:
答案:
查看解析
暂无答案
答对了
答错了
第35题
直流伺服电动机的理想空载转速n0与电枢供电电压U的关系是
A.
\( n_{0}=\frac{\Phi}{K_{e} U} \)
B.
\( n_{0}=\frac{\Phi^{2}}{K, U} \)
C.
\( n_{0}=\frac{U}{K_{e} \Phi} \)
D.
\( n_{0}=\frac{U}{K_{e} K_{t} \Phi} \)
请输入本题答案:
我要多选
作答:
答案:
查看解析
暂无答案
答对了
答错了
第36题
由于滚珠丝杠静摩擦力与动縻擦力差值小,因而运动灵敏,低速时
A.
无预紧
B.
无爬行
C.
无摩擦
D.
无润滑
请输入本题答案:
我要多选
作答:
答案:
查看解析
暂无答案
答对了
答错了
第37题
传统的BT系列刀柄,刀柄锥度为
A.
3 :8
B.
7 :24
C.
1 : 5
D.
1:10
请输入本题答案:
我要多选
作答:
答案:
查看解析
暂无答案
答对了
答错了
第38题
下列导轨中,耐磨性最好的是
A.
普通滑动导轨
B.
贴塑滑动导轨
C.
滚动导轨
D.
静压导轨
请输入本题答案:
我要多选
作答:
答案:
查看解析
暂无答案
答对了
答错了
第39题
采用自动换刀装置能够缩短
A.
编程时间
B.
切削时间
C.
非切削时间
D.
检验时间
请输入本题答案:
我要多选
作答:
答案:
查看解析
暂无答案
答对了
答错了
第40题
在数字化控制领域中,SINUMERIK810D数控系统第一次在一块板子上集成了CNC和
A.
伺服系统
B.
驱动控制
C.
检测系统
D.
手摇脉冲编码器
请输入本题答案:
我要多选
作答:
答案:
查看解析
暂无答案
答对了
答错了
第41题
CIMS的中文含义是
A.
计算机辅助设计
B.
计算机辅助制造
C.
计算机辅助工艺设计
D.
计算机集成制造系统
请输入本题答案:
我要多选
作答:
答案:
查看解析
暂无答案
答对了
答错了
第42题
数控加工中,CNC装置实际控制的是
A.
零件轮廓轨迹
B.
刀尖轨迹
C.
刀具中心轨迹
D.
步进电动机转角
请输入本题答案:
我要多选
作答:
答案:
查看解析
暂无答案
答对了
答错了
第43题
在立式加工中心上,刀具远离工作台表面的方向是
A.
X坐标的正方向
B.
Y坐标的负方向
C.
Z坐标的正方向
D.
U坐标的正方向
请输入本题答案:
我要多选
作答:
答案:
查看解析
暂无答案
答对了
答错了
第44题
粗加工时,首先选取尽可能大的
A.
切削深度a<>p
B.
进给量f
C.
切削速度v<>c
D.
主轴转速n
请输入本题答案:
我要多选
作答:
答案:
查看解析
暂无答案
答对了
答错了
第45题
下列G代码中,表示撤销刀具本唯指令的是
A.
G39
B.
G40
C.
G41
D.
G42
请输入本题答案:
我要多选
作答:
答案:
查看解析
暂无答案
答对了
答错了
第46题
CNC装置的中断类型有程序性中断、内部定时中断、硬件故障中断和
A.
溢出中断
B.
插补中断
C.
外部中断
D.
超吋中断
请输入本题答案:
我要多选
作答:
答案:
查看解析
暂无答案
答对了
答错了
第47题
CNC装置的硬件一般由五部分组成:数据通信接口、运动控制部分、I/O控制部分、程序I/O接口和
A.
位置检测部分
B.
人机接口部分
C.
伺服放大器
D.
伺服电动机
请输入本题答案:
我要多选
作答:
答案:
查看解析
暂无答案
答对了
答错了
第48题
CNC系统管理软件的功能主要包括数据输入、I/O处理、通信和
A.
插补计算
B.
位置控制
C.
译码
D.
诊断和显示
请输入本题答案:
我要多选
作答:
答案:
查看解析
暂无答案
答对了
答错了
第49题
数字积分插补法简称
A.
ABC法
B.
DDA法
C.
PID法
D.
NURBS法
请输入本题答案:
我要多选
作答:
答案:
查看解析
暂无答案
答对了
答错了
第50题
数控系统中检测元件的作用是检测机床进给轴的
A.
数量
B.
速度
C.
位移
D.
位移与速度
请输入本题答案:
我要多选
作答:
答案:
查看解析
暂无答案
答对了
答错了
第51题
光栅检测装置由两个部件组成:标尺光栅和
A.
光敏元件
B.
读数头
C.
光源
D.
细分电路
请输入本题答案:
我要多选
作答:
答案:
查看解析
暂无答案
答对了
答错了
第52题
伺服系统能够精确地控制机床移动部件的运动,所依据的是数控系统插补运算所生成的
A.
位置指令
B.
方向指令
C.
速度指令
D.
刀补指令
请输入本题答案:
我要多选
作答:
答案:
查看解析
暂无答案
答对了
答错了
第53题
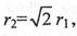
材料和其它结构尺寸不变,两圆柱体的半径关系是
则它们转动惯量的关系是
A.
B.
C.
D.
请输入本题答案:
我要多选
作答:
答案:
查看解析
暂无答案
答对了
答错了
第54题
五相步进电动机,当采用单-双拍轮流通电方式运行时,步距角a=0.36°,则转子齿数z为
A.
25
B.
50
C.
100
D.
125
请输入本题答案:
我要多选
作答:
答案:
查看解析
暂无答案
答对了
答错了
第55题
通过适当预紧,可以消除滚珠丝杠的
A.
摩擦
B.
传动间隙
C.
自锁
D.
误差
请输入本题答案:
我要多选
作答:
答案:
查看解析
暂无答案
答对了
答错了
第56题
KM系列刀柄,刀柄锥度为
A.
2:7
B.
7:24
C.
1:5
D.
1:10
请输入本题答案:
我要多选
作答:
答案:
查看解析
暂无答案
答对了
答错了
第57题
导轨受力变形后会影响部件之间的导向精度和
A.
回转精度
B.
相对速度
C.
相对位置
D.
导轨强度
请输入本题答案:
我要多选
作答:
答案:
查看解析
暂无答案
答对了
答错了
第58题
气体静压导轨适用于
A.
数控车床
B.
数控镜床
C.
加工中心
D.
三坐标测量机
请输入本题答案:
我要多选
作答:
答案:
查看解析
暂无答案
答对了
答错了
第59题
SINUMERIK840D数控系统内装PLC为
A.
S7-200
B.
S7-300
C.
S7-400
D.
S7-1200
请输入本题答案:
我要多选
作答:
答案:
查看解析
暂无答案
答对了
答错了
第60题
FMS的中文含义是
A.
计算机辅助设计
B.
计算机辅助制造
C.
柔性制造系统
D.
计算机集成制造系统
请输入本题答案:
我要多选
作答:
答案:
查看解析
暂无答案
答对了
答错了
第61题
下列机床属于轮廓控制数控机床的是
A.
数控冲床
B.
数控压力机
C.
数控钻床
D.
数控车床
请输入本题答案:
我要多选
作答:
答案:
查看解析
暂无答案
答对了
答错了
第62题
在立式数控铣床上,刀具接近工作台表面的方向是
A.
X坐标的负方向
B.
Y坐标的正方向
C.
Z坐标的负方向
D.
A坐标的正方向
请输入本题答案:
我要多选
作答:
答案:
查看解析
暂无答案
答对了
答错了
第63题
精加工时,尽可能选择较高的
A.
切削速度VC
B.
进给量f
C.
切削深度a
D.
加工成本
请输入本题答案:
我要多选
作答:
答案:
查看解析
暂无答案
答对了
答错了
第64题
某铣削程序段:N30 G18 G02……LF,这时插补平面是
A.
XY平面
B.
ZX平面
C.
弦平面
D.
任意平面
请输入本题答案:
我要多选
作答:
答案:
查看解析
暂无答案
答对了
答错了
第65题
CNC装置的中断类型有外部中断、程序性中断、硬件故障中断和
A.
强制中断
B.
超时中断
C.
内部定时中断
D.
断电中断
请输入本题答案:
我要多选
作答:
答案:
查看解析
暂无答案
答对了
答错了
第66题
CNC装置的硬件—般由五部分组成:人机接口部分、数据通信接口、I/0控制部分、程序I/0接口和
A.
位置检测部分
B.
运动控制部分
C.
伺服放大器
D.
伺服电动机
请输入本题答案:
我要多选
作答:
答案:
查看解析
暂无答案
答对了
答错了
第67题
CNC系统控制软件的功能主要包括速度控制、插补和位置控制、刀具补偿、译码以及
A.
开关量控制
B.
I/O处理
C.
通信
D.
诊断和显示
请输入本题答案:
我要多选
作答:
答案:
查看解析
暂无答案
答对了
答错了
第68题
在CNC数控系统中,数据采样插补通常采用的插补算法是
A.
逐点比较法
B.
时间分割法
C.
黄金分割法
D.
位置分割法
请输入本题答案:
我要多选
作答:
答案:
查看解析
暂无答案
答对了
答错了
第69题
位置检测装置由两部分组成:检测元件和
A.
传感器
B.
CNC系统
C.
计算机
D.
信号处理装置
请输入本题答案:
我要多选
作答:
答案:
查看解析
暂无答案
答对了
答错了
第70题
增量式脉冲编码器有电磁感应式、接触式和
A.
电阻式
B.
光电式
C.
电容式
D.
激光式
请输入本题答案:
我要多选
作答:
答案:
查看解析
暂无答案
答对了
答错了
第71题
伺服驱动装置(驱动电动机)很大程度上决定了伺服驱动系统的
A.
能力
B.
效率
C.
性能
D.
firm
请输入本题答案:
我要多选
作答:
答案:
查看解析
暂无答案
答对了
答错了
第72题
伺服进给系统的转矩计算时,把由外加载荷产生的摩擦力矩称为
A.
静态负载转矩
B.
动态负载转矩
C.
最大力矩
D.
预紧转矩
请输入本题答案:
我要多选
作答:
答案:
查看解析
暂无答案
答对了
答错了
第73题
五相步进电动机,转子齿数z=80,当采用单-双拍轮流通电方式运行时,步距角α为
A.
0.3°
B.
0.45°
C.
0.9°
D.
1.8°
请输入本题答案:
我要多选
作答:
答案:
查看解析
暂无答案
答对了
答错了
第74题
交流伺服进给电动机多采用三相交流
A.
异步电动机
B.
恒力矩电动机
C.
永磁同步电动机
D.
发电机
请输入本题答案:
我要多选
作答:
答案:
查看解析
暂无答案
答对了
答错了
第75题
与普通梯形丝杠螺母机构不同,当滚珠丝杠螺母机构垂直使用时,必须增设
A.
自锁装置
B.
驱动装置
C.
消隙装置
D.
平衡装置
请输入本题答案:
我要多选
作答:
答案:
查看解析
暂无答案
答对了
答错了
第76题
刀具系统包括刀具部分与
A.
刀库
B.
平衡机构
C.
锁紧机构
D.
拉刀机构
请输入本题答案:
我要多选
作答:
答案:
查看解析
暂无答案
答对了
答错了
第77题
导轨是数控机床的重要部件之一,很大程度上决定了数控机床的刚度、精度和
A.
强度
B.
速度
C.
精度保持性
D.
价格
请输入本题答案:
我要多选
作答:
答案:
查看解析
暂无答案
答对了
答错了
第78题
数控机床功能复合化,工序集中化,一次装夹可使用不同刀具完成多道工序,因而必须具备
A.
分度工作台
B.
自动检测装置
C.
自动换刀装置
D.
机械手
请输入本题答案:
我要多选
作答:
答案:
查看解析
暂无答案
答对了
答错了
第79题
SINUMERIK 840D数控系统的操作平台为
A.
Linux操作系统
B.
MaC操作系统
C.
Unix操作系统
D.
Windows操作系统
请输入本题答案:
我要多选
作答:
答案:
查看解析
暂无答案
答对了
答错了
问答题
第80题
开环控制的数控机床,其精度完全取决于驱动及_________的精度。
请输入本题答案:
我要多选
作答:
答案:
查看解析
暂无答案
答对了
答错了
第81题
加工中心刀具补偿包括刀具半径补偿和_________补偿。
请输入本题答案:
我要多选
作答:
答案:
查看解析
暂无答案
答对了
答错了
第82题
数控机床原点是_________设置在机床上的—个固定点。
请输入本题答案:
我要多选
作答:
答案:
查看解析
暂无答案
答对了
答错了
第83题
编程坐标系也称为_________。
请输入本题答案:
我要多选
作答:
答案:
查看解析
暂无答案
答对了
答错了
第84题
数控加工程序“Nll0 G04 P500”中,P500的含义是_________ 。
请输入本题答案:
我要多选
作答:
答案:
查看解析
暂无答案
答对了
答错了
第85题
模块化结构的CNC系统,主轴模块的功能是实现主轴的速度和_________控制。
请输入本题答案:
我要多选
作答:
答案:
查看解析
暂无答案
答对了
答错了
第86题
数据采样插补一般分为_________步进行。
请输入本题答案:
我要多选
作答:
答案:
查看解析
暂无答案
答对了
答错了
第87题
数控机床的伺服驱动系统是CNC装置和机床机械传动部件问的_________环节。
请输入本题答案:
我要多选
作答:
答案:
查看解析
暂无答案
答对了
答错了
第88题
在控制性能上,_________伺服系统优于模拟方式、混合方式的伺服系统。
请输入本题答案:
我要多选
作答:
答案:
查看解析
暂无答案
答对了
答错了
第89题
与普通机床相比,数控机床的主传动系统应具有_________的调速范围。
请输入本题答案:
我要多选
作答:
答案:
查看解析
暂无答案
答对了
答错了
第90题
数控编程过程中,选择与确定走刀路线时应遵循的原则。
请输入本题答案:
我要多选
作答:
答案:
查看解析
暂无答案
答对了
答错了
第91题
多微处理器数控装置,各功能模块之间通信采用共享总线结构的优缺点。
请输入本题答案:
我要多选
作答:
答案:
查看解析
暂无答案
答对了
答错了
第92题
光栅莫尔条纹的均化误差作用。
请输入本题答案:
我要多选
作答:
答案:
查看解析
暂无答案
答对了
答错了
第93题
写出直流伺服电动机的转速表达式并画出机械特性(转速一扭矩)曲线n=f(T)。
请输入本题答案:
我要多选
作答:
答案:
查看解析
暂无答案
答对了
答错了
第94题
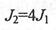
按所学教材中给定的指令代码,编写题35图所示零件的倒角与外表蕊精加工数控车削程序。 已知:工件坐标系设在工件的右端面上,整个加工采用01#刀,01号刀补。主轴转速n=850 r/min,进给量f=0.015 mm/r,刀具的起点如图中所示,加工时,刀具首先快速移动到a点,工进精车倒角与其它表面.加工完成后快速退回到起刀点。(a点在倒角延长线上,离工件右端面2mm)加工过程中不加冷却。
请输入本题答案:
我要多选
作答:
答案:
查看解析
暂无答案
答对了
答错了
第95题
某简易数控车床x向的传动系统,步进电动机的运动经过一对z1/z2的齿轮传动传递到导程P=-6mm的滚珠丝杠,并通过滚珠丝杠螺母副拖动工作台移动。若已知五相步进电动机的转子齿数z=t00,采用单一双拍交替通电运行?要求x向的脉冲当量、﹠x=0.005mm。请完成下列问题: (1)画出传动系统简图; (2)若Z1=20,求出Z2的齿数; (3)计算Ⅳ向的移动速度为l500mm/min时控制脉冲的频率
请输入本题答案:
我要多选
作答:
答案:
查看解析
暂无答案
答对了
答错了
第96题
如题37图所示,0E是要插补的直线,E点坐标值为(3,4),若脉冲当量为1,用逐点比较法对该线段进行插补。请完成下列问题: (1)计算需要的插补循环总数 (2)按给定的表格形式完成插补计算过程; (3)画出刀具的插补轨迹图。 请将题37表绘制在答题卡上作答。
请输入本题答案:
我要多选
作答:
答案:
查看解析
暂无答案
答对了
答错了
第97题
闭环数控系统的定位精度和加工精度主要取决于________的精度
请输入本题答案:
我要多选
作答:
答案:
查看解析
暂无答案
答对了
答错了
第98题
CNC系统的突出特点是许多数控功能可以由________ 来实现。
请输入本题答案:
我要多选
作答:
答案:
查看解析
暂无答案
答对了
答错了
第99题
目前最为广泛使用的自动编程方式是________ 自动编程。
请输入本题答案:
我要多选
作答:
答案:
查看解析
暂无答案
答对了
答错了
第100题
对于加工中心,换刀点通常设在被加工零件的______。
请输入本题答案:
我要多选
作答:
答案:
查看解析
暂无答案
答对了
答错了
提交对答案
声明:本文档由用户提供并上传,仅供用户内部交流学习使用,若内容存在侵权,请点击举报删除。
贡献者:
霞女(5G直播)
通过疯狂刷题APP扫码登录
免费查看答案
使用
疯狂刷题APP
打开[我的-扫一扫]
疯狂刷题
www.yex.ink
疯狂刷题让你轻松应对各种考试
注: 请使用疯狂刷题APP扫码登录 (其他工具扫码无效)
口碑级应用
疯狂刷题APP
在各大应用市场均可下载
title
content
✓
不再提示
确定
关闭
题干详情
×