当测量100只左右的电阻时,宜采用图 电路。
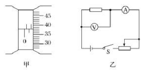
用伏安法测电阻,可采用如图所示的甲、乙两种接法。所用电压表内阻为5000
,电流表 内阻为0.5

当测量100只左右的电阻时,宜采用图 电路。
现采用图乙所示电路测量某电阻的阻值时,两电表的读数分别为10V、0.5A,则此电阻的测量值为 ,真实值为
。
如图所示,用电流表和电压表测量电阻Rx的阻值,c端与b端相连时,电流表示数为4.60mA,电压表示数为2.50V,c端与a端相连时,电流表示数为5.00mA,电压表示数为2.30V,比较这两次结果正确的是( )

电阻的真实值更接近543,且大于543
电阻的真实值更接近543
,且小于543
电阻的真实值更接近460
,且大于460![]()
电阻的真实值更接近460
,且小于460![]()
某次测量康铜丝的直径时螺旋测微器的示数如图甲所示,可知此次测得康铜丝的直径为 mm。乙图是测量康铜丝电阻的原理图,利用该电路图测出的电阻值比真实值 (选填“偏大”或“偏小”)。

在“测定金属丝的电阻率”的实验中,可供选用的器材如下:
待测金属丝:R.(阻值约4,额定电流约0.5A);
电压表:V(量程3V,内阻约3k
); 电流表:A(量程0.6A,内阻约0.2
); A2(量程3A,内阻约0.05
); 电源:E1(电源电压为3V); E2(电源电压为12V); 滑动变阻器:R(最大阻值约20
);

用螺旋测微器测量金属丝的直径,示数如图所示,读数为 mm。
若滑动变阻器采用限流式接法,为使测量尽量精确,电流表应选电源应选 (均填器材代号),在虚线框中画出电路原理图。

(多选)在“测定金属的电阻率”的实验中,以下操作中正确的是( )
用毫米刻度民测量金属丝的全长,且测量三次,算出其平均值,然后再将金属丝接入电路中
某同学利用如图甲所示电路测量量程为2.5V的电压表
的内阻(内阻为数千欧姆),可供选择的器材有:电阻箱R(最大阻值99999.9 ),滑动变阻器R1(最大阻值50
),滑动变阻器R2(最大阻值5k
),直流电源E(电动势3V),开关1个,导线若干。
实验步骤如下
①按电路原理图甲连接线路;

②将电阻箱阻值调节为0,将滑动变阻器的滑片移到与图中最左端所对应的位置,闭合开关S;
③调节滑动变阻器,使电压表满偏;
④保持滑动变阻器滑片的位置不变,调节电阻箱阻值,使电压表的示数为2.00V,记下电阻箱的阻值。 回答下列问题:
实验中应选择滑动变阻器 (填“R1”或“R2”)。
根据图甲所示电路将图乙中实物图连线。

实验步骤④中记录的电阻箱阻值为630.0,若认为调节电阻箱时滑动变阻器上的分压不变,计算可得电压表的内阻为
(结果保留到个位)。
如果此电压表是由一个表头和电阻串联构成的,可推断该表头的满刻度电流为 (填正确答案标号)。
100A
250A
500A
1mA