














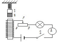
用笔画线代替导线,把它们连接起来(连线不要交叉),要求满足以下两点要求:
①组成一个可以改变电磁铁磁性强弱的电路;
②当滑动变阻器的滑片向左滑动时,电磁铁的磁性增强。
标出通电电磁铁的N、S极。


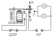
当滑动变阻器滑片向左移动时,电磁铁甲、乙吸引大头针的个数_________(选填“增加”或“减少”),说明电流越_________,电磁铁磁性越强;
由图示可知,(选填“甲”或“乙”)_________的磁性强,说明电流一定时,_________,电磁铁磁性越强;
电磁铁吸引的大头针下端分散的原因是_________;
本实验中用到了多种研究方法:
①如研究电磁铁的磁性强弱和线圈匝数有关时,就应控制电流相等,下列实验的研究方法和这种方法不同的是_________
A.研究电流大小和电压、电阻的关系
B.研究影响电阻大小的因素
C.用电流表测量串联电路中的电流
②本实验中还用到了其他研究方法,如电磁铁的磁性强弱用什么来显示,下列实验的研究方法和这种方法不同的是_________
A.在测量小灯泡的功率时,用电压和电流之积来表示电功率
B.研究电热和那些因素有关的实验中,用液柱的高度差来表示电热多少
C.研究动能大小和那些因素有关的实验中,用小木块被推开的远近,来表示动能的大小
本实验进行了多次实验,多次实验的目的和下列实验多次实验的目的相同的是( )

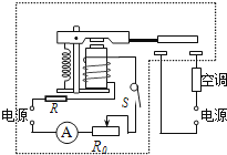
当指针指示的数值增大时,表示电磁铁的磁性增强,则电磁铁的A端为_________极(填“S”或“N”).E为电源的_________极(填“正”或“负”).
小明将开关S打到a点,并向下调节变阻器的滑片,他发现指针指示的数值越来越大.由此可以得出结论:电磁铁_________一定时,电流越大,电磁铁的磁性越强.
小明为了验证电磁铁的磁性强弱与线圈匝数有关时,将开关S从a点换到b点,同时观察并比较两次指针指示的数值,他发现两次指针指示的数值几乎相同.你认为导致出现这种错误情况的主要原因是_________(各实验器材均完好).
电磁铁的原理主要应用到了电流的磁效应,电磁的磁效应最先是由科学家_________(填人名)发现的,请你再举出一个生活或生产应用到电磁铁的设备_________.
若让左转、右转指示灯同时工作,转向开关应与触点_________接通.(选填“1和2”、“2和3”、“3和4”或“4和5”)
当转向开关与触点“2和3”接通时,右转指示灯两端实际电压变化规律如图乙所示.已知当右转指示灯微弱发光时,其两端实际电压为U,消耗的实际功率为额定功率的
,求:①右转指示灯闪烁交替工作30秒消耗的电能;②定值电阻R0的阻值(指示灯的电阻不变).